Gas-kvas.com


эскиз технический рисунок развертка для срисовки

Эскиз технического рисунка развертки – это компактный графический образец, демонстрирующий развертку изделия или детали в виде плоской поверхности. В таком эскизе представлены размеры и форма детали, ее контуры и особенности конструкции. Технический рисунок развертки является важным инструментом для проектирования и изготовления сложных изделий, так как позволяет визуализировать требуемую конфигурацию и точно определить необходимые параметры и линии складывания материала. Эскиз технического рисунка развертки помогает сэкономить время и ресурсы, обеспечивая точное представление о финальном продукте и упрощая его изготовление.



Архитектура фигура в масштабе
Архитектура фигура в масштабе

Техническое рисование черчение
Техническое рисование черчение

Чертеж машинки из картона
Чертеж машинки из картона

Чертеж спичечного коробка вид спереди
Чертеж спичечного коробка вид спереди

Техническое моделирование из бумаги и картона
Техническое моделирование из бумаги и картона

Технология 4 класс пассажирский вагон чертеж
Технология 4 класс пассажирский вагон чертеж

Изделия из тонколистового металла чертежи
Изделия из тонколистового металла чертежи

Чертеж машинки из бумаги
Чертеж машинки из бумаги

Чертёж машины из картона с размерами
Чертёж машины из картона с размерами

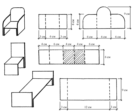
Конструирование из бумаги мебель подготовительная группа
Конструирование из бумаги мебель подготовительная группа

Чертеж машинки из картона
Чертеж машинки из картона

Чертеж спичечного коробка в трех проекциях
Чертеж спичечного коробка в трех проекциях

Совок из жести раскрой
Совок из жести раскрой

Чертеж коробочки из тонколистового металла
Чертеж коробочки из тонколистового металла

Чертеж коробки из тонколистового металла
Чертеж коробки из тонколистового металла

Черчение аксонометрические проекции деталей 3 вида
Черчение аксонометрические проекции деталей 3 вида

Чертеж коробочки из тонколистового металла
Чертеж коробочки из тонколистового металла

Развертка самосборной коробки без склейки
Развертка самосборной коробки без склейки

Чертеж машинки из бумаги с размерами
Чертеж машинки из бумаги с размерами

Инженерная Графика проекционное черчение задания
Инженерная Графика проекционное черчение задания

Развертка макета домика из бумаги
Развертка макета домика из бумаги

Церковь из бумаги
Церковь из бумаги

Чертеж машинки из дерева
Чертеж машинки из дерева

Пересечение поверхностей геометрических тел Инженерная Графика
Пересечение поверхностей геометрических тел Инженерная Графика

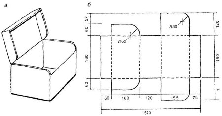
Чертёж коробки сундучка из картона
Чертёж коробки сундучка из картона

Шиповое соединение древесины чертежи
Шиповое соединение древесины чертежи

Технический рисунок модели в аксонометрической проекции
Технический рисунок модели в аксонометрической проекции

Чертёж машины из картона с размерами
Чертёж машины из картона с размерами

Чертеж развертки поверхностей Призмы
Чертеж развертки поверхностей Призмы

Изделия из тонколистового металла чертежи
Изделия из тонколистового металла чертежи

Чертеж танка т34 из картона модель
Чертеж танка т34 из картона модель

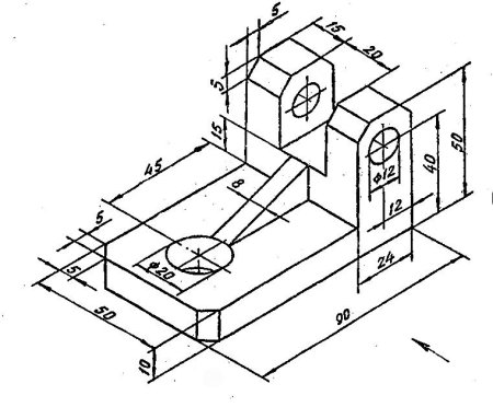
Инженерная Графика вариант 18 подшипник вид спереди , сверху , слева
Инженерная Графика вариант 18 подшипник вид спереди , сверху , слева

Мебель для кукольного домика из картона стул чертежи
Мебель для кукольного домика из картона стул чертежи

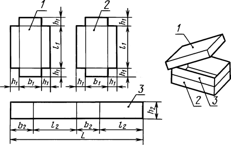
Развёртки для технического моделирования
Развёртки для технического моделирования

Инженерная Графика проецирование геометрических тел
Инженерная Графика проецирование геометрических тел

Ламборджини Мурселаго чертежи
Ламборджини Мурселаго чертежи

Чертеж развертки геометрического тела
Чертеж развертки геометрического тела

Пятиугольная Призма чертеж
Пятиугольная Призма чертеж

Черчение 9 класс ботвинников разрезы
Черчение 9 класс ботвинников разрезы

Начальное техническое моделирование чертеж
Начальное техническое моделирование чертеж

4 Куба на а4 чертеж
4 Куба на а4 чертеж

Пересеноите фронтальную проеуцид детали
Пересеноите фронтальную проеуцид детали

Макет дома изо
Макет дома изо

Спичечный коробок развертка
Спичечный коробок развертка

Эскиз это в черчении
Эскиз это в черчении

Смотрите онлайн или можете скачать на телефон или компьютер в хорошем качестве совешенно бесплатно. Не забывайте оставить комментарий и посмотреть другие фотографии и изображения высокого качества, например эскиз будущей работы рисунок и хаски рисунок эскиз из раздела Рисунки эскизы


Уважаемый посетитель, Вы зашли на сайт как незарегистрированный пользователь. Мы рекомендуем Вам зарегистрироваться либо зайти на сайт под своим именем.