Этот эскиз представляет собой небольшое изображение болта, выполненное в стиле скетча. Простые и лаконичные линии передают форму и контуры предмета, создавая ощущение его объемности. Характерные детали, такие как головка и резьба, ярко выделены, делая рисунок узнаваемым и понятным. Такой эскиз может быть полезным при проектировании или визуализации различных конструкций, где использование болта необходимо.
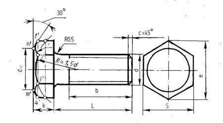
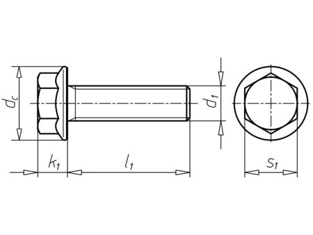
Чертёж болта с шестигранной головкой с размерами
Болт м20 170
Болт м22х1.5 чертеж
Болт с шестигранной головкой чертеж 9 класс d=20. P=2,5. S=30
Головка болта м10 чертеж
Размер головки болта м14
Эскиз болта м36 длина 260
Болт м16х1.5 чертеж
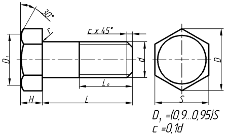
Черчение рисунок 215 болт с шестигранной головкой Размеры
Болт м20 чертеж призонный
Болт ГОСТ 7796-70 Размеры чертежи
Головка болта м10 чертеж
Чертеж болта с шестигранной головкой с размерами м20
Чертеж болта на а4
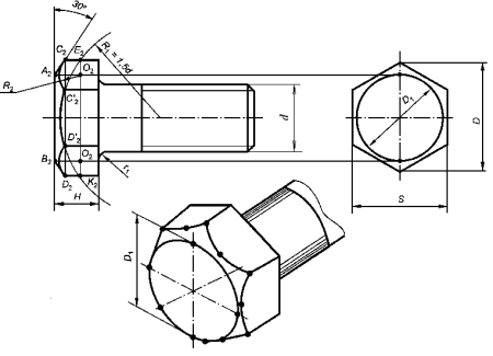
Аксонометрическая проекция гайки
Болт м20х1.5 чертеж
Болт с шестигранной головкой чертеж 9 класс d=20. P=2,5. S=30
Рис 215 болт с шестигранной головкой
Чертёж болта м 20 с резьбой 1,5
Болт с шестигранной головкой м20х80-5.6-а9р
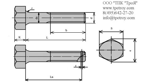
Болт со шплинтом чертеж
Эскиз болта с шестигранной головкой с размерами резьбы 20
Болт чертеж с размерами м 48
Головка болта м20
Болт м14х1.5 чертеж
Проекция болта
Болт и гайка
Винт 5-9 кд ОСТ 1.31502-80
Начертательная геометрия чертеж болта
Чертёж болта с резьбой м20
Болт с шестигранной головкой чертеж 9 класс
Болт м30 чертеж
Болт в трех проекциях
Эскиз болта диаметр 20мм
Винт м16 чертеж
Чертеж болта м22х2.5
Гайка 1008012-k00 размер
Чертеж болта м22х2.5
Болт din en 24016
Винты болты вектор
Гайки винтики нарисованные
Черчение рисунок 215 болт с шестигранной головкой Размеры
Винт м18 чертеж
Болт 7798-70 чертеж






Grizly.club