Gas-kvas.com


рисунок эскиза детали с выполнением сечений для срисовки

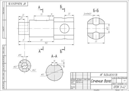
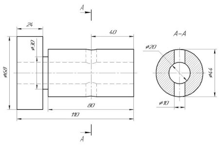
Эскиз детали с выполнением сечений - это графическое изображение, которое позволяет представить форму и размеры детали в различных плоскостях. С помощью сечений можно увидеть внутреннюю структуру и особенности конструкции, что является важным для проектирования и изготовления изделий. Этот метод позволяет более точно определить геометрические параметры детали и обеспечивает возможность проверить ее соответствие требованиям и спецификациям. Рисунок эскиза с сечениями является неотъемлемой частью технической документации и используется в различных отраслях промышленности, таких как машиностроение, авиация, судостроение и другие.



Черчение эскиз детали с выполнением сечений
Черчение эскиз детали с выполнением сечений

Черчение 9 класс чертежи сечение
Черчение 9 класс чертежи сечение

Черчение эскиз детали с выполнением сечений
Черчение эскиз детали с выполнением сечений

Черчение ботвинников 177 рис
Черчение ботвинников 177 рис

Черчение 9 класс ботвинников гдз сечение
Черчение 9 класс ботвинников гдз сечение

Черчение эскиз детали с выполнением сечений
Черчение эскиз детали с выполнением сечений

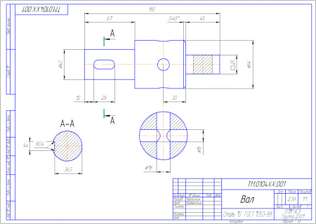
По аксонометрическому изображению выполните эскиз детали
По аксонометрическому изображению выполните эскиз детали

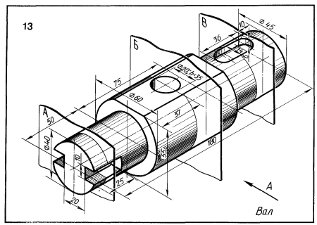
Выполнить чертеж вала по аксонометрическому изображению
Выполнить чертеж вала по аксонометрическому изображению

Черчение ботвинников 177 рис
Черчение ботвинников 177 рис

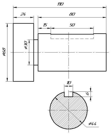
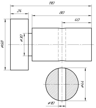
Сечение на чертеже детали с отверстием
Сечение на чертеже детали с отверстием

Конструктивные элементы деталей лыски
Конструктивные элементы деталей лыски

Валик сталь черчение сечение
Валик сталь черчение сечение

Черчение 9 класс ботвинников графическая работа 12
Черчение 9 класс ботвинников графическая работа 12

Черчение 8 класс ботвинников графическая работа 12
Черчение 8 класс ботвинников графическая работа 12

Лыска на чертеже
Лыска на чертеже

Эскиз детали с выполнением сечений
Эскиз детали с выполнением сечений

Сечение валика чертеж
Сечение валика чертеж

Черчение эскиз детали с выполнением сечений
Черчение эскиз детали с выполнением сечений

Сечение валика чертеж
Сечение валика чертеж

Сечение вала Инженерная Графика вариант 1
Сечение вала Инженерная Графика вариант 1

Гдз по черчению 9 класс ботвинников рисунок 177
Гдз по черчению 9 класс ботвинников рисунок 177

Черчение 8 класс ботвинников гдз чертежи графическая работа 12
Черчение 8 класс ботвинников гдз чертежи графическая работа 12

Валик сталь 45 чертеж
Валик сталь 45 чертеж

Графическая работа эскиз детали с выполнением сечений
Графическая работа эскиз детали с выполнением сечений

Сечение рис.176 ботвинников
Сечение рис.176 ботвинников

Черчение эскиз детали с выполнением сечений
Черчение эскиз детали с выполнением сечений

Выполнить чертеж детали с необходимыми сечениями
Выполнить чертеж детали с необходимыми сечениями

Сквозной ПАЗ на чертеже
Сквозной ПАЗ на чертеже

Шпоночный ПАЗ на чертеже
Шпоночный ПАЗ на чертеже

Эскиз детали с сечением
Эскиз детали с сечением

Разрез детали на чертеже
Разрез детали на чертеже

Виды пазов на чертеже
Виды пазов на чертеже

Сечение вала Инженерная Графика 5 вариант
Сечение вала Инженерная Графика 5 вариант

Построение сечения детали
Построение сечения детали

Сечение отверстия на чертеже
Сечение отверстия на чертеже

Чертеж детали от руки
Чертеж детали от руки

Рабочая тетрадь по черчению 9 ботвинников чертежи
Рабочая тетрадь по черчению 9 ботвинников чертежи

Сечение вала Инженерная Графика вариар16
Сечение вала Инженерная Графика вариар16

Выполнить чертеж вала по аксонометрическому изображению
Выполнить чертеж вала по аксонометрическому изображению

Вал со сквознм отверстиемчертеж
Вал со сквознм отверстиемчертеж

Сечение вала Инженерная Графика вариант 8
Сечение вала Инженерная Графика вариант 8

Сечение валика чертеж
Сечение валика чертеж

Обозначение лыски на чертеже
Обозначение лыски на чертеже

Вал со сквознм отверстиемчертеж
Вал со сквознм отверстиемчертеж

Графическая работа 1 сечения
Графическая работа 1 сечения

Сечение вала Инженерная Графика компас
Сечение вала Инженерная Графика компас

Сечение вала Инженерная Графика вариар16
Сечение вала Инженерная Графика вариар16

Сечение вала Инженерная Графика 5 вариант
Сечение вала Инженерная Графика 5 вариант

Сечение вала Инженерная Графика вариант 14
Сечение вала Инженерная Графика вариант 14

Смотрите онлайн или можете скачать на телефон или компьютер в хорошем качестве совешенно бесплатно. Не забывайте оставить комментарий и посмотреть другие фотографии и изображения высокого качества, например ракета рисунок эскиз и эскиз рисунка ярмарка из раздела Рисунки эскизы


Уважаемый посетитель, Вы зашли на сайт как незарегистрированный пользователь. Мы рекомендуем Вам зарегистрироваться либо зайти на сайт под своим именем.